
銷售熱線:0523-87771663
0523-87963888
全天熱線:13852697828
傳 真:0523-87666477
郵 箱:2718548046@qq.com

公司生產經(jīng)驗豐富、技術力量雄厚,檢測設備先進,檢測設備先進、產品穩(wěn)定、質量可靠。“以人為本,科技領先、質量第一、用戶至上”是本公司的服務宗旨,愿與國內外客商開展廣泛的合作,歡迎廣大客戶光臨公司洽談業(yè)務,進行貿易合作...
|
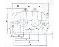
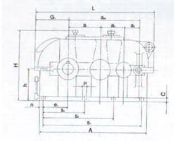
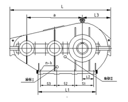
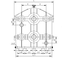
起重機硬齒面齒輪減速機
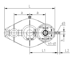
硬齒面圓柱齒輪減速機系列
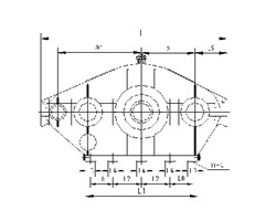
三環(huán)減速機
擺線針輪減速機
軟齒面圓柱齒輪減速機系列
電動滾筒系列
K、S、R、F斜齒輪減速電機
軸裝式減速機
起重機硬齒面齒輪減速機






































































